東元RV蝸輪蝸桿減速機
東元集團目前全球工業馬達占有率名列前茅,位于世界前列;并從電機巨人企業發展為橫跨重 電、家電、電子、信息、通訊、金融投資等六個產業群的具有高度競爭力的多元化經營的企業集 團。東元集團目前計約近百家海外關系企業,分布在全球的東元員工這萬人以上,并廣泛與世界著 名企業美國G E 、日本安川 、美國西屋、德國西門子、日本日立、三菱等進行機電技術合作,其事 業版圖己擴展至亞洲、美洲、歐洲、澳洲,成為知名的世界集團, teco 已成為國際品牌。
東元集團歷史
1957年臺灣第一家采用國際標準生產電機 1965年采用機械自動化大量生產30HP以下電機,首創臺灣每四分鐘一臺的生產記錄 1971年電機在臺灣市場占有率高達44% ,并外銷日、美、澳等地 1977年制造臺灣最大型間接水冷式2000HP電機 1995年購并美國西屋 2000年成立蘇州東元電機有限公司 2002年成立無錫東元電機有限公司 2004年并購江西四通電機,江西東元正式成立 2008年成立福建東元精工,在福安建設電機供應鏈中心 2012年成立上海東元德高電機有限公司 2015年全資并購世界知名品牌摩多利Motovaria S.P.A公司
產品概述 PRODUCTS OVERVIEW
產品特點
NMRV系列蝸輪蝸桿減速機具有以下一些主要特點: 1.優質鋁合金鑄造,重量輕,不生銹; 2.輸出轉矩大; 3.傳動平穩,噪音小,適合在惡劣環境中長期連續工作; 4.散熱效率高; 5.美觀耐用,體制小; 6.可適應全方位安裝。
主要材料
外殼:鋁合金(機座: 025 - 090 ), 鑄鐵(機座: 110 - 150) ;
蝸桿:20Cr , 滲碳淬火, 齒面硬度56 - 62HRC , 精磨后保持滲碳層厚度0.3 - 0.5mm ;
蝸輪:耐磨錫青銅.
表面涂裝
鋁合金外殼: 1.先拋丸處理,再經特種防腐處理, 保持銀白金屬感, 并耐汽油、二甲苯等有機溶劑的腐蝕; 2.磷化處理后,再噴RAL5010藍色或銀白色涂料.
鑄鐵外殼:先涂紅色防銹漆,后噴涂RAL5010藍色涂料.
型號說明
NMRV/NRV 蝸輪蝸桿減速電機與減速

| NO | 說明 |
|---|---|
| 1 | 型號代碼: 1. RV孔輸入常輸入法蘭 2. NRV鈾輸入不帶輸入法蘭 |
| 2 | 蝸輪蝸桿減速機中心距(規格) |
| 3 | 減速機速比 ( i=5,7.5,10,15,20,25,30,40,50,60,80,100 ) |
| 4 | 1 無代號表示不帶蝸桿同向尾出軸 2. E:帶蝸桿同向尾出軸 |
| 5 | 1.無代號表示不帶輸出法蘭 2.FA,FB, FC,FD, FE (1/2)輸出法蘭號和位置 |
| 6 | 1. 無代號表示孔輸出 2. DZ ( 1/2) :單向輸出軸和位置 3. SZ 雙向輸出軸 |
| 7 | 輸入法蘭規格型式(不帶電機時) |
| 8 | 安裝方位代號 |
| 9 | 1. 無代號表示不帶電機 2. 電機型號或功率,極數 |
| 10 | 電機接線盒位置,默認位置1可以不寫 |
選型相關參數
功率P
在NMRV蝸輪蝸桿減速機選型表中,這個功率P1n是指在輸入轉速為n1并且對應的使用系數fs=1時, 減速機的安全輸入功率,單位kw。 傳動效率η值是減速機經過足夠長時間的跑臺后計算得到的。跑臺后在動轉過程中,表面溫度下降并最終穩定。需要特別強調的是樣本中給定的額定轉矩值M2n應該考慮到傳動效率η的關系.
轉速n
n1 減速機輸入轉速 n2 減速機輸出轉速 若是減速箱外部傳動裝置驅動,為了優化工作條件和提高 使用壽命,建議使用1400r/min或更低轉速.
傳動比i
i=n1/n2·
扭矩M
M2=9550?P1?η/n2(Nm) M2n≥M2? fs(Nm) M2 輸出扭矩 M2n 額定輸出扭矩 P1 輸入功率 η 傳動效率 fs 使用系數
使用系數fs
減速機上的從動機構的受驅動效果是用使用系數fs 這個系數來 衡量的。該使用系數根據每天的運轉時間和啟動頻率Z而定 的。三種負載分類取決于慣性加速系數,在下圖中可讀取實際 應用的使用系數, 按這圖表選取的使用系數必須小于或者等于 性能參數表中提供的使用系數。

啟動頻率Z
周期包括所有啟動,制動的次數以及變速電機高低速變化時的次數。
負載類型
負載性質: A 均勻沖擊負載, 允許慣性加速系數Fa≤0.3 B 中等沖擊負載, 允許慣性加速系數Fa?≤3 C 重沖擊負載, 允許慣性加速系數Fa?≤10
負載類型: 輕負載的螺桿輸送,風扇,裝備線,輸送帶,小型攪拌器,電梯,清洗機器,過濾器,控制驅動。 卷揚機, 木工機器進料器, 貨物起重機, 平衡器,絞螺紋機器, 中型攪拌器, 重型輸送帶, 絞盤, 滑動閘門, 刮料機, 包裝機械, 混凝土攪拌機,行車驅動裝置, 銑床,齒輪泵。 大型攪拌器, 剪床, 壓機, 離心機, 旋轉支撐裝置, 重型絞盤和起重機,磨床, 石材打磨機, 翻斗機,鉆床,沖床,凸軸壓 機,機床轉盤,翻桶裝置. 振蕩裝置,破碎機。
慣性加速系數
慣性加速系數計算如下: Fa=Jc/Jm Fa 慣性加速系數 Jc 所有外部傳動慣量( kgm2 ) Jm驅動電機的傳動慣量( kgm2) 如果慣性加速系數fa> 10 ,請與我們技術部聯系。 受環境溫度影響,使用系數fs 仍須按以下調整: 1.環境溫度30~40℃: fs ×(1.1 ~1.2 ) 2.環境溫度40~50℃ :fs ×(1.3 ~1.4 ) 3.環境溫度50~60℃: fs ×(1.5 ~1.6 ) 4.環境溫度>60℃,請與我們技術服務人員聯系。 為了保持減速機的使用壽命,從產品樣本中所選擇 的使用系數fs應等于或略高于計算出的使用系數fs.
徑向載荷Fr
在決定影響徑向載荷時,安裝在軸端上的傳動件類 型必須考慮在內,不同類型的傳動對應不同的傳動 附加系數fz,列表如下:

作用在軸上的徑向載荷按如下公式計算

- Fr 作用在軸上的載荷( N)
- M 作用在軸上的扭矩( Nm)
- d0 安裝在軸上傳動件的平均直徑( mm)
- fz 傳動附加系數
當徑向負荷不作用在軸中點時,按以下公式計算有效負荷:

- Fr2 依據下面表格給出中底腳安裝式齒輪減速器的許可徑向載荷( X=L/2) ( N)
- a,b 齒輪減速器徑向換算常量(mm)
- x 軸戶到實際作用點的距離(mm)
- a,b, Fr2的數值在下面表格給出
輸出軸徑向載荷

輸入軸徑向載荷

選型表注釋

選型舉例


效率與自鎖特性
效率是減速機一個重要參數, 效率η 的值取決于下列參數
- 1 蝸輪蝸桿的螺旋角;
- 2輸入轉速;
- 3蝸輪蝸桿的磨合時間;
- 4油品、 油封和軸承的性能。
在第21頁上的畸合參數表列出了動態效率(n1=1400 )及靜態效率參數。請注意:這些參數是指減速機磨合后 性能穩定的計算值。另外. 樣本中規定的扭矩M2n 也是減速機磨合性能穩定的計算值。上述的實際值可能會有上下偏差。
動態自鎖
動態自鎖是指當馬達輸入軸突然停止時,輸出軸能同步停止。此條件要求動態效率ηd<0.5 (參見第21頁表格)
靜態自鎖
靜態自鎖是指當減速器處子靜止狀態時,輸出軸上的負載不能把蝸輪推動。此條件要求靜態效率ηs <0.5 (參見第21頁表格)

上述表格中所有參數只是供大概參考,振動和沖擊也會影響減速機的自鎖功能。事實上要保證完全自鎖是不可能的, 我們建議 需要時安裝外部的安全制動的裝置。對于一個組合減速機自鎖條件時, 必須考慮單減速機的自鎖功能效率,因為整體自鎖功能是: ηtot = η1 × η2 。
減速機嚙合參數

減速機輸入尺寸

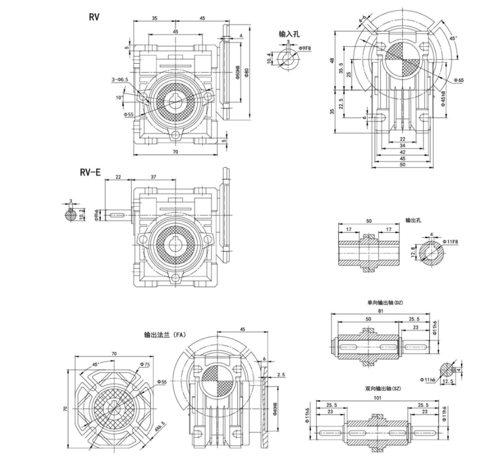
RV產品介紹


RV-E尺寸

NRV尺寸

NRV-E尺寸

NMRV025 小機型

減速機選型表
見選型手冊
減速機安裝方位
NMRV與電機安裝方位

注: 如在訂貨時無特殊說明,將按B3安裝方式供貨.
使用限制
這本樣本結出的參數基本上是按B3安裝方式來編的,即第一級沒有完全漫入油中.對于其他安裝方位和輸入轉速,請參考下面表格中相應參數. 當遇到下列應用情況時,如有必要請與我們的技術服務人員聯系.
① 在原有上提高轉速時.
② 應用在慣性特別大的設備上時.
③ 應用在如升降機(需要自鎖考慮)時.
④ 當減速機出現故障有可能會對操作者造成危害時.
⑤ 當減速機出現過度疲勞狀態時.
⑤ 工作環境溫度低于-5℃或高于40℃時.
⑦ 在化學腐蝕環境中使用時.
③ 在鹽性環境中使用時.
⑨ 在輻射性高的環境中使用時.
⑩ 在環境氣壓不在正常大氣壓力下使用時.
@ 安裝方位在這樣本中沒有提到時. 避免將減速機部分或整臺浸入水里或其他液體中.
減速器承受的最大負載扭矩不能超過兩倍于性能參數表中規定的正常轉矩(當使用參數fs=1時):這里最大負載扭矩是指能承受瞬間短暫適度的過載,它出現在過載啟動、剎車、振動或其他動態操作環境中。
NMRV系列安裝使用與保養
安裝減速機時要注意以下一些事項:
① 減速機與機械設備裝配之前, 要檢查減速機輸出軸的旋轉方向是否正確.
② 減速機與原動機、設備裝配之前, 應檢查各軸徑、孔徑、鍵和鍵槽的偏差尺寸, 避免裝配過緊、過松影響減速 機性能.
③ 減速機必須牢固地安裝在機械設備上,避免有松動或振動.
④ 盡可能地避免減速機暴露在烈日陽光下和惡劣環境中.
⑤ 如果減速機存放時間長達4-6個月, 應檢查油封是否浸潤在潤滑油中,可能油封唇口會粘在軸上,甚至失去了 彈性,由于適當的彈性是油封必須的工作條件,所以推薦更換油封.
⑥ 所高橡膠件和透氣孔不能沾有油漆.
⑦ 與減速機的空心軸配合連接時, 應在軸上配合部分涂上潤滑油, 以免卡死或氧化.
③ 使用時必須檢查油位(如油位鏡孔或打開油塞,小型號是沒有的)
⑨ 使用新減速時,不能滿負載起動, 應該逐步增大負載.
⑩ 使用各類電機直聯型減速器時,若電機重量偏大,應設支撐裝置.
11 確保電機風扇附近有良好的通風環境,以免影響散熱效果.
12 減速機的標準工作環境溫度是-5℃至40℃ ,如果不在這范圍時,請與我們技術服務人員聯系.
潤滑油
工作環境溫度不在表中范圍內, 請與我們技術服務人員聯系.
當工作環境溫度低于-30℃或高于60℃時,要使用特殊材質的油封.
當工作環境溫度低于0℃時,必須考慮下列情況:
- ① 選用的電機必須在低溫下能正常工作..
- ② 如果減速機箱體的材質是鑄鐵,在溫度-15℃以下時,箱體會變得很脆,要注意盡量避免撞擊.
- ③ 在開始使用階段時,由于潤滑油的粘度很高,可能會產生一些問題,所以剛開始啟動時最好讓它空載運轉幾分鐘.減速機 運轉大約1000小時后, 應更換潤滑,換油頻率按減速機實際工作情況和工作環境條件而定.
NMRV025、030、040、050、063、075 、090規格的減速機,在出廠時已加注了潤滑油, 可以按照樣本中安裝方位所提到的方位安 裝. V5或V6安裝時,請與我們技術服務人員聯系.
減速機NMRV110、130和150規格在出廠時己加注了礦物潤滑油( SHELL Omala OIL 460 )
無級變速器在出廠時也加注了礦物潤滑油(廣研Ub-3x) .
減速機NMRV110、130和150規格的安裝方位在下單時要說明,否則潤滑油理按B3方位提供.
NMRV系列的減速機,在特定的工作環境,需配排氣閥(可選配件) .
PC己加注了耐用的合成油潤滑油( SHELL TEVELA OIL 320 ),因此能夠安裝任何方位.
潤滑油選用表

潤滑油加注量

標準電機外形參考尺寸


